- 1 AC/DC电源控制芯片
- 1.1 SCM1702ASA
- 1.2 SCM1703ASA
- 1.3 SCM1710ASA
- 1.4 SCM1733ASA
- 1.5 SCM1725ASA
- 1.6 SCM1738ASA
- 2 DC/DC电源控制芯片
- 2.1 SCM1101AMA
- 2.2 SCM1102AMA
- 2.3 SCM1201B
- 2.4 SCM1212ATA
- 2.5 SCM1212B
- 2.6 SCM1301A
- 2.7 SCM1316AFA
- 2.8 SCM1209ATA
- 2.9 SCM1212BTA-Q
- 2.10 SCM1302ASA
- 2.11 SCM1331ASA
- 3 接口芯片
- 3.1 SCM3401ASA
- 3.2 SCM3401BSA
- 3.3 SCM3402ASI
- 3.4 SCM3403ASA
- 3.5 SCM3406ASA
- 3.6 SCM3421ASA
- 3.7 SCM3422ASA
- 3.8 SCM3423ASA
- 3.9 SCM3425ASA
- 4 启动芯片
- 4.1 SCM3560A
- 4.2 SCM9601ATA
- 4.3 SCM9602ATA
- 4.4 SCM9603B
- 5 接触器节电控制芯片
- 5.1 SCM1501BSA
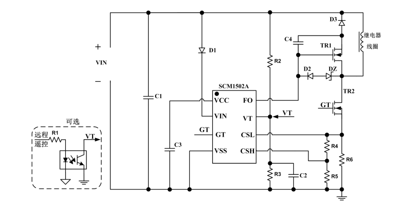
- 5.2 SCM1502A
- 5.3 SCM1502A
- 6 AC/DC变压器
- 6.1 TTLDE05-20B-D,5W,单路,4000VAC,SIP,反激式
- 6.2 TTLHE10-20B-D,10W,单路,3000VAC,SIP,反激式
- 6.3 TTLHE10-22B12D,10W,单路,SIP,反激式
- 6.4 TTLHE20-20B-D,20W,单路,4000VAC,SIP,反激式
- 6.5 TTLHE25-20B-D,25W,单路,4000VAC,SIP,反激式
- 6.6 TTLS03-15Bxx-T,3W,单路,3000VAC,SMD,反激式
- 6.7 TTLS05-15B12T,5W,单路,4000VAC,SMD,反激式
- 7 DC/DC 变压器
- 7.1 CTTF0505-1T,1W,单路,3000VDC,SMD,推挽式
- 7.2 CTTFB0505-1T,1W,单路,4250VDC,SMD,推挽式
- 7.3 SCM1201ATA
- 7.4 CTTH0505-1T,1W,单路,6000VDC,SMD,推挽式
- 7.5 CTTURA-10T,10W,正负,1650VDC,SMD,反激式
- 7.6 CTTURB-10T,10W,单路,1650VDC,SMD,反激式
- 7.7 CTTURB-20T,20W,单路,1650VDC,SMD,反激式
- 7.8 CTTURB-6T,6W,单路,1650VDC,SMD,反激式
- 7.9 TSHT,≤1W,单路,3000VDC,SMD,推挽式
- 7.10 TTB05xx-1T,≤1W,单路,1650VDC,SMD,推挽式
- 7.11 TTFB0505-1T,1W,单路,4250VDC,SMD,反激式
- 7.12 TTFB05xx-1T,1W,单路,4250VDC,SMD,反激式
- 7.13 TTH0505-1T,1W,单路,6000VDC,SMD,推挽式
- 7.14 TTURA-10T,10W,正负,1650VDC,SMD,反激式
- 7.15 TTURA-6T,6W,正负,1650VDC,SMD,反激式
- 7.16 TTURB-10T,10W,单路,1650VDC,SMD,反激式
- 7.17 TTURB-15T,15W,单路,1650VDC,SMD,反激式
- 7.18 TTURB1D-6T,6W,单路,2250VDC,SMD,反激式
- 7.19 TTURB-20T,20W,单路,1650VDC,SMD,反激式
- 7.20 TTURB-6T,6W,单路,1650VDC,SMD,反激式
- 7.21 TTFxxxx-1T(2T),单路,3000VDC
- 7.22 TTB05xxM-1T,单路,2250VDC
- 7.23 TTFxxxx-1T(2T),单路,3000VDC
- 8 数字隔离器
- 8.1 SCM3721ASA
- 8.2 SCM3723ASA
- 8.3 SCM3725ASA
- 8.4 SCM3728ASA
- 8.5 TD541S-4xH(L)x
- 8.6 TDA51S-41HC
- 9 共模电感
- 9.1 FL2D-10-xxxB
- 9.2 FL2D-30-xxxB
- 9.3 FL2D-A0-xxx
- 9.4 FL2D-A5-xxx
- 9.5 FL2T-10-xxx
- 9.6 FL4D-20-xxxA
SCM1502A
- 2020-06-01 14:06:09
- 瑞雪飞舞
- 4369
- 最后编辑:shhuiqin 于 2023-03-16 10:40:44
SCM1502A是一款继电器节电控制器,可以减少继电器的吸合与吸持功耗。SCM1502A内置启动电路,可以在输入电压7V~40V输入电压范围内,以大于8mA的充电电流完成控制器的快速启动,以便在满足继电器动作条件下,快速响应。此外,SCM1502A还能控制继电器线圈实现大电流吸合与小电流吸持的切换,其吸合和吸持电流大小可自主设计,便于不同继电器的 应用。并且在小电流吸持阶段,发生输入欠压或用户不使能的情况,控制器会激活快速关断功能,让继电器的快速断开,以减少 SCM1502A 对继电器断 开性能的影响。
SCM1502A 继电器节电控制芯片
SCM1502A 是一款继电器节电控制器,可以减少继电器的吸合与吸持功耗。
特点
▶实时检测输入电压,可精确设置继电器动作电压
▶可在2.5:1的宽输入电压范围工作
▶吸合电流与吸持电流可分别设置,继电器线圈设计更简单
▶自带模拟抖频,轻松解决EMI问题
▶工作电压范围 7~40V,满足绝大部分继电器应用要求
▶具有快速关断功能,减少继电器关断延时
▶从输入取电,节省辅助电源
功能描述
SCM1502A 是一款继电器节电控制器,可以减少继电器的吸合与吸持功耗。
SCM1502A 内置启动电路,可以在输入电压7V~40V 输入电压范围内,以大于8mA的充电电流完成控制器的快速启动,以便在满足继电器动作条件下,快速响应。此外,SCM1502A 还能控制继电器线圈实现大电流吸合与小电流吸持的切换,其吸合和吸持电流大小可自主设计,便于不同继电器的应用。并且在小电流吸持阶段,发生输入欠压或用户不使能的情况,控制器会激活快速关断功能,让继电器的快速断开,以减少 SCM1502A对继电器断开性能的影响。
应用范围
各种继电器节电改造
典型应用电路
【Done】
