电源模块在轨道电路读取器系统中的应用
- 2019-01-15 14:12:00
- 彬彬有礼
- MORNSUN
- 转贴 1528
引言
轨道电路读取器(英文缩写为TCR),是用于京津客运专线300km/h 动车组的信号子系统。它读取ZPW-2000A轨道电路信息码,向车载安全计算机提供正常或制动信息,是CTCS-2级系统车载设备的重要组成部分。CTCS-2 系统列控车载设备根据TCR输出信息,并结合地面应答器信息控制列车安全运行。
一、 TCR 的主要功能
TCR系统由TCR主机、接收线圈、上下行开关、TCR制动指示灯和TCR正常指示灯等构成,如下图所示。

1、TCR 通过接收线圈接收ZPW-2000A 轨道电路信息并译码。当开关在上行位时,接收2000/2600Hz轨道电路信息;当开关在下行位时,接收1700/2300Hz轨道电路信息。
2、TCR 向ETCS的2个TCC 分别输出“制动信号”和“正常信号”。当轨道电路信息码序正常时,输出正常信号,列车正常运行;当轨道电路信息码序异常时,输出制动信号,列车实施常用制动。
3、TCR 输出“TCR 制动” 和“TCR 正常”2 个表示信号,控制司机台上相应的表示灯显示。TCR 发生故障时,司机可以通过TCR故障切除开关关闭TCR。
二、TCR 工作原理
2.1 双套热备
TCR 系统的双套热备是由双套主机板、双路电源和双路接收线圈共同组成的。TCR 上电后随机由双套主机板中的一套占据输出位置,即处于工作状态,另外一套为备用状态。当占据输出位置的主机故障时,将自动关断点灯电源,使之失去输出位置状态,改由备机获得,从而实现双机的自动切换。TCR 主机的双套主机板之间由动态方波信号进行信息交换,当工作主机前级故障“掉码”时,备机正常“有码” 信息会传递到工作主机,工作主机会自动切掉输出,使系统自动转到备机工作,实现完全双套热备份的功能。
2.2 二取二
每块主机板内采用二取二容错安全结构,其含义是每块主机板中有2路独立接收译码通道,2路的译码输出进行比较,比较一致才进行有效输出。主机板2路CPU都留有CAN总线或RS-485输出,可与监控设备进行大容量信息传输,同时与并口输出相互校验,实现更高安全性的故障.安全输出,如下图所示。

三、轨道电路读取器系统供电解决方案
在轨道交通系统中,常规采用110V的直流电压作为主电压,常规的主电源一般都是100W左右的DC/DC 电源,把110V 的电压转换成24V标准的工业用电,再由24V 供电转成5V来给系统的板卡进行供电,由于轨道电路读取器系统的方案为双套电源方案,所以每个系统都需要两套独立的电源模块,而金升阳的DC-DC 铁路电源、以及DC-DC小功率产品在系统中都能提供安全、可靠的解决方案。如下图所示:

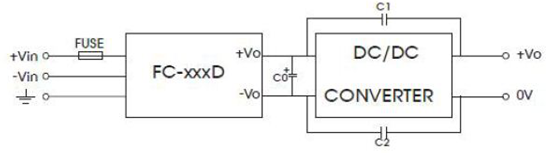
由图3 可看出,在轨道电路读取器系统中,主电源可采用金升阳的URF1D24QB-100W 单路(24V/4.2A)输出电源,24V 转5V 的模块可以采用金升阳的VRB2405LD-50W单路(5V/10A)输出电源,而5V可直接供给后级板卡供电,板卡内部包含MCU、485、CAN 以及显示等部分。远程DTU 供电电源可以采用我司URB2412YMD-20W的模块。但由于轨道电压不稳定,EMC防护非常重要,所以对于DC-DC 的前级电源进行EMC防护是必须的,可参考电源厂商的推荐电路或者配套使用EMC防护模块(金升阳FC-CX3D),如下图所示:

