MORNSUN超低功耗双通道数字隔离器——SCM37xxA系列
- 2020-02-26 20:03:00
- 彬彬有礼
- 原创 895
一、芯片介绍
众所周知,在复杂的应用环境里,一个综合的电子系统有众多子系统,各子系统数据传输时会产生串扰,数字隔离器能够把子系统相互隔离开来,保护其不受噪声和高电压影响。因此数字隔离器在医疗、工业、民用、军事领域都被广泛应用,国内外市场需求相当大,金升阳双通道数字隔离器SCM37xxA系列也应运而生。
SCM37xxA双通道数字隔离器采用标准 CMOS 技术设计而成。利用电容分压原理,在不需要调制和解调的情况下,实现电压信号跨越隔离介质精准传输,在性能和可靠性方面均优于光耦和其他数字隔离器产品。 本次推出的4款双通道数字隔离器,传输通道间彼此独立,配置多种传输方向和150Kbps/10Mbps传输速率版本供客户选择。该系列产品可实现 3KVrms 隔离耐压等级,支持3.0V到5.5V的工作电压,并支持3.0V到5.5V信号电平转换。当输入电源不供电或无输入信号,输出电源供电正常的情况下,隔离器输出默认电平。产品总体优势特点如下:
1、高可靠性、高抗扰性能
● CMTI高达150kV/us,有效隔离共模噪声;
● 增强型ESD 防护能力,HBM可达±8kV;优异的抗电气噪声和磁性干扰能力 ;
● 隔离电压:3KVrms。
2、快速精准传输、超低功耗
● 传输延迟低于12.5ns;
● 脉冲宽度失真小于0.8ns;
● 功耗低至0.55mA/通道,系统效率损耗较少。
3、兼容性强,多样化组合销售,一站式服务
● 与数字隔离器主流厂家管脚兼容,减少客户系统改板困扰;
● 配置低速、高速版本,减少客户冗余设计带来的成本问题;
● 可为客户提供配套的电源管理芯片、接口芯片、变压器等多种组合器件。
二、产品应用
可广泛应用于通用多通道隔离、工业现场总线隔离等领域。
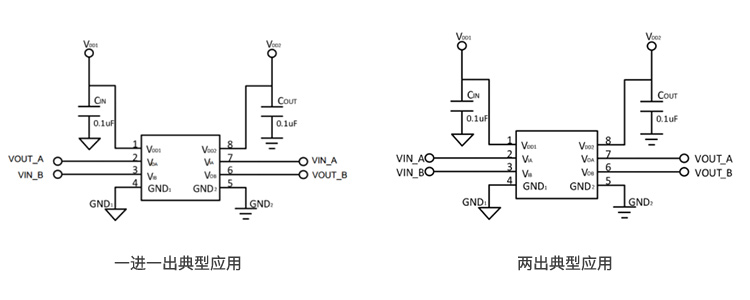
1、典型应用电路示例:
2、推展应用电路示例:
三、产品特点
● 支持3.0V到5.5V的工作电压,并支持 3.0V 到 5.5V 信号电平转换
● 共模瞬变抗扰度高达150 kV/µs(典型值)
● 辐射和传导噪声的高抗干扰能力
● 增强 ESD 性能
● 3KV rms 隔离耐压
● 传输速率:10Mbps/150Kbps
● 超低功耗 0.55mA/通道(150Kbps),0.58mA/通道(1Mbps)
● 宽工作温度范围: -40°C to 125°C
