金升阳电源模块在列车空调控制系统中的应用
- 2019-01-15 09:48:00
- 彬彬有礼
- MORNSUN
- 转贴 1008
2014年7月1日,铁路系统进行了自2007年以来最大幅度的一次调整,部分路局的“绿皮车”自此成为历史。“绿皮车”内夏季最高温度纪录是59℃,列车员的蓝色制服已基本湿透,乘客们更是扇子不离手。为了提高车厢内部环境的舒适性,空调系统成为机车不可缺少的部分。
空调自动控制系统根据温度传感器测量温度变化。由系统的主要控制部分对环境温度进行调节和控制,调控的部件包括冷凝器电动机、蒸发器电动机等,一旦这些部件出现故障该系统将温度信息传输至显示屏,及时报警通知相关工作人员进行检修。
空调自动控制系统主要分为主控模块、通讯模块、信号处理模块三大部分。
主控模块作为整个系统的大脑,发送各类指令给子模块调节温度;通讯模块主要是将温度信息传送给显示设备,同时接受主控单元对于温度信息的设定内容;信号处理模块则负责监测整体系统环境的物理量(温湿度等),并转换为数字信号提供给主控系统。
空调自动控制系统应用框图如下所示:
空调自控系统对电源模块选型要求
针对不同的供电情况,电源模块的选型要求如下:
1. 主供电系统为轨道交通专用的110VDC供电,模块需满足铁道宽电压(66-135VDC)输入。同时,为提高系统可靠性,必须保证输出与供电进行隔离。另外,模块需长期工作于振动场合,所以对其抗振动和耐冲击性能要求比较高;
2. 在信号采集方面,一般会采用正负运放进行处理,获得宽量程的信息返回给MCU进行处理,以获得现场物理量信息如温度、湿度等。其供电电源可以通过主供电取电,所以其输入电压可以采用定电压输入。除了具备电源转换功能之外,为了防止信号处理电路和数字电路串扰,需对供电电源进行隔离。同时,为提高系统稳定性,模块纹波噪声越小越好;
3. 在通讯方面采用CAN总线通讯方式。为提高通讯可靠性,需对通信进行隔离,以防通讯设备的相互干扰。通讯设备需支持多节点通讯,故要求通讯模块同一节点支持连接多个节点。
推荐产品
针对上述电源的输出电压以及芯片对应的功率,可以推荐的电源如下:
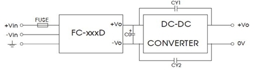
在电路设计方面,由于铁路电源对可靠性以及EMC要求比较高,而我们电源本身是没有EMC防护,所以需要在模块前端设计EMC防护电路,推荐使用FC-CX1D模块达到更高的EMC等级:
参数推荐:
FUSE(保险管):依照客户实际输入电流选择;
C0:推荐使用100uF/200V 电解电容;用于抑制电压暂降,无此要求的应用可不设计;
CY1、CY2:1nF/2KV 电容。
