7~40V输入继电器节电控制芯片-SCM1502A
- 2020-02-26 19:50:00
- 彬彬有礼
- 原创 1024
一、产品介绍
继推出16.5V~500V输入、高效节能接触器控制芯片SCM1501B后,为满足市场上直流接触器、继电器、电磁阀等场合更低工作电压需求,金升阳对应推出7V~40V输入电压控制芯片SCM1502A。
SCM1502A 是一款继电器节电控制器,可以减少继电器的吸合与吸持功耗。其内置启动电路可以在7V~40V输入电压范围内,以大于8mA的充电电流完成控制器的快速启动,以便在满足继电器动作条件下快速响应。此外,SCM1502A还能控制继电器线圈实现大电流吸合与小电流吸持的切换,其吸合和吸持电流大小可自主设计,便于不同继电器的应用。并且在小电流吸持阶段,发生输入欠压或用户不使能的情况,控制器会激活快速关断功能,让继电器的快速断开,以减少 SCM1502A对继电器断开性能的影响。
二、产品应用
可广泛应用于直流接触器、继电器、电磁阀等场合。
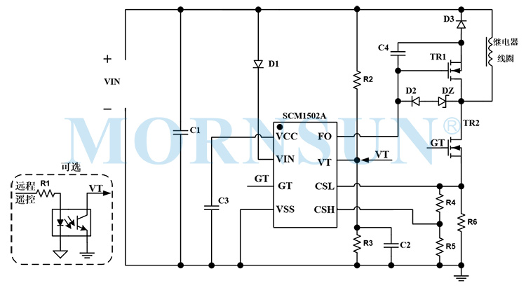
典型应用电路示例:
三、产品特点
● 工作电压范围 7~40V,满足绝大部分继电器应用要求
● 实时检测输入电压,可精确设置继电器动作电压
● 可在 2.5:1 的宽输入电压范围工作
● 吸合电流与吸持电流可分别设置,继电器线圈设计更简单
● 自带模拟抖频,轻松解决EMI问题
● 具有快速关断功能,减少继电器关断延时
● 从输入取电,节省辅助电源
四、与某公司接触器方案比较
