性价双优、高兼容的盘式霍尔闭环电流传感器——TLx00-D2C、TLx00(P)-D1C系列
- 2023-02-11 09:54:00
- 彬彬有礼
- 来源:
- mornsun
- 转贴 639
工业自动化行业的不断发展,直接影响到相应电流检测产品需求快速上升,工业4.0即互联网+智能制造,赋予工业自动化更高要求。而国内产品性能较差,且部分产品存在性能虚标,国外产品交付困难、价格昂贵,缺乏合适的产品方案。
一、产品简介
为了更好的助力工业自动化发展,金升阳在深厚的技术沉淀中突破创新,推出了性价双优、高兼容的方形/圆形盘式霍尔闭环电流传感器——TLx00-D2C/TLx00(P)-D1C系列。
金升阳通过核心材料特殊处理、巧妙的结构设计、高度自动化的制造工艺,研发出价格更低、性能更优、兼容性更强的方形/圆形盘式霍尔闭环电流传感器此系列产品基于霍尔闭环效应传感器来实现电流检测,在原边与副边之间做了绝缘处理。
二、产品优势
1、性能优异
● 精度:圆形:0.5%、方形:0.3%
● 方形实测常温精度典型值:国内常规方案<0.3%、金升阳<0.15%
● 常温精度均满足规格,金升阳优、一致性更好。
如下为常温数据,高低温实测性能也更优。
2、兼容性强
● 可适应高低温恶劣环境(-40~85℃)
● 体积更小(68*57*20mm)
● 供电电压范围广(±12/15V)
3、材料可靠、设计精妙
大品牌选材:磁芯选用高磁导率、低矫顽力的材料,使传感器的响应更快,灵敏度更高。
设计上采用卡扣设计,使组装更加简单,制造成本更低。同时进行了几何美学的设计,使产品更平稳、更美观。
4、自动化覆盖率高、性价比更高
从贴片、焊接到组装,均采用高度自动化的制造工艺,有效保证产品的质量,提升了效率,同时降低制造成本,使产品具有更高的性价比、更低的不良率。
三、产品应用:
该系列产品可应用于焊接电源、电力电源设备、功率加热设备、大型UPS设备、电机驱动设备等应用领域。此产品系列更适用于精度、线性度、温漂要求较高的工控级电流检测应用。可按实际安装环境及预留的安装空间,选择圆形或者方形的霍尔闭环电流传感器。(方形体积68mm*57mm*20mm,圆形体积68mm*57.7mm*20mm,安装空间较小情况可优先选择圆形电流传感器)
电流传感器进行交流/直流/脉冲检测、反馈等,可提升焊接质量,提效降本。
● 提升焊接质量:高精度动态反馈调节电流,使焊接过程更可靠、效果更美观
● 提效降本:延长电极的使用寿命来提高产量
四、产品特点
1.可测量交流、直流或脉冲电流等;
2.宽工作温度范围-40℃ to +85℃;
3.精度线性度优良
(圆形:精度0.5%、线性度0.1%,方形:精度0.3%、线性度0.05%)
4.全温度范围温漂20ppm(Typ.);
5.宽频带(DC-100KHz)
6.抗干扰能力强
五、产品选型:
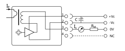
应用连接说明:
测试说明:
1、IP为被测电流,IS为测量电流;
2、RM测量电阻,依据输出电路的所需电压范围设定;
3、通过测量流过RM的测试电流Is,或者RM两端的电压UR,可以得到原边电流IP:
IP=KN*IS=KN*(UR/RM)
推荐使用输出电压±15V,输出功率3W的供电电源,可用金升阳WRA-3WR2/WRB-3WR2系列等,具体以客户场景选择,详情可咨询金升阳FAE。
